Elektronik auf www.gafu.de
Packet-Radio- und Funk- Schaltungen:
Stromversorgung, Messung:
Audio- und Verstärkerschaltungen:
Sonstige Schaltungen:
Nützliches:
Problemlösung:
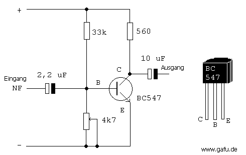
Eingangspegelerhöhung für Endstufen (Vorverstärker)
Ist das Eingangssignal an einer Endstufe zu schwach, so kann man nicht die volle Leistung nutzen. Das Signal muss also "lauter" werden, die Signalspannung erhöht.
Für diesen Zweck nutzt man oft einfache Transistor-Verstärkerstufen. Hier habe ich einmal eine solche Beispielschaltung dazu:
der Abgleich ist denkbar einfach:
Man dreht solange am Poti bis an dem 560-Ohm-Widerstand die halbe Betriebsspannung abfällt.
Stromverbrauch bei 12V etwa 10-15 mA
Für Stereo-Betrieb muss die Schaltung natürlich zwei Mal gebaut werden.
Einfache Lautsprecher-Endstufe für 12-14V mit ca. 35W Musikleistung
Will man sich keine teure Endstufe kaufen oder ist in einem Gerät, was mit 12V arbeitet, die Lautsprecherendstufe kaputt gegangen, so kann man mit dieser einfachen Schaltung sich selbst eine solche Endstufe nachbauen.
Eine weitere Einsatzmöglichkeit ist der Bau eines Aktivlautsprechers.
Zu beachten ist dabei: Keiner der beiden Lautsprecheranschlüsse darf eine Verbindung zur Masse bekommen. Außerdem braucht der Schaltkreis einen Kühlkörper. In diesen werden zwei Löcher mit 3,5mm Durchmesser gebohrt und zwar in dem Abstand, dass man rechts und links in die Befestigungslaschen am Schaltkreis zwei M3-Gewindeschrauben oder ähnliches zum Befestigen verwenden kann.
Zur Kontrolle: An beiden Leitungen des Lautsprecherausgangs muss im Leerlauf die halbe Betriebsspannung anliegen, zwischen beiden Leitungen 0V. Sollte dies nicht der Fall sein, dann besteht entweder ein Schaltungsfehler oder ihr habt einen defekten Schaltkreis erwischt.
zur Entstörung empfehle ich einen 100nF Kondensator und zum Sieben/Puffern einen 4700uF Elko möglichst nahe an der Schaltung in die Speiseleitung einzufügen.
Das Netzteil sollte schon mal drei Ampere liefern können. Vorsichtshalber ist es angebracht, den Eingang mit einem 470nF Kondensator in Reihe gegen Gleichspannungen zu schützen.
Für Stereo-Betrieb muss die Schaltung natürlich zwei Mal gebaut werden.
Einfache Lautsprecher-Leistungsendstufe für +/-40 (80)V mit ca. 150-200W Musikleistung
Reicht die Leistung der Endstufe mit dem TDA1516 nicht aus, so kann man mit dem IC TDA7294 eine weitaus leistungsfähigere Endstufe bauen.
Diese Verstärkerschaltung braucht sich mit ihren Werten durchaus nicht hinter gekauften Endstufen zu verstecken.
Das eigentliche Aufbauproblem besteht darin, dass die Spannung symmetrisch sein muss.
Dieses wurde hier mit einer recht einfachen, aber relativ unsicheren Lösung realisiert.
Diese Schaltung ist nur mit einer Gesamtspannung von maximal 50V sicher gegen Überspannung beim Betrieb. Jede der beiden Hälften der Spannungsversorung (zwischen Masse und jeweils einem Stromversorgungsanschluss) darf maximal 50V Spannung abbekommen. Dies ist ein ABSOLUTES MAXIMUM, ich kann nicht garantieren, dass der Schaltkreis bei dieser Spannung nicht schon kaputt geht. Beim Betrieb der Schaltung kann sich der der Nullpunkt zwischen dem positiven und negativen Anschluss der Betriebsspannung bei unsymmetrischer Speisung leicht verschieben und dadurch eine Hälfte des Schaltkreises über die kritische Spannung von 50V kommen, dadurch wird der Schaltkreis rettungslos zerstört !!
Um das zu verhindern habe ich bereits verschiedene Lösungsansätze verfolgt. Die BESTE Lösung ist oben in meinen Schaltungen das
symmetrische Netzteil.
Andere preiswertere Varianten, die allerdings eine nicht veränderliche Eingangsspannung vorraussetzen, wären etwa zwei Z-Dioden (mit mindestends 1W Leistung, besser wären 5 oder 10 Watt) oder eine ganz primitive Lösung wäre parallel zu den großen Elkos der Einspeisung einen simplen Widerstands-Spannungsteiler einzulöten, allerdings hier auf die maximale Leistung achten, die über den Wiederständen abfallen darf. Am besten hier mindestends 1 Watt Metallschicht oder 2, 4 oder 5 Watt Drahtwiederstände, unter diesen Werten braucht man gar nicht erst anfangen, da die Wirkung sonst äußerst gering ist.
Die Wiederstandswerte kann man einfach nach folgendem Rechenbeispiel ermitteln, in dem ich einmal von 2 x 35V Betriebsspanunng und 1W-Metallschichtwiderständen ausgehe:
P = maximale Verlustleistung
R = Wiederstandswert in Ohm
U = Spannung pro Seite (Betriebsspannung/2)
I = maximaler Strom durch den Widerstand |
I = P / U
I = 1 / 35 = 0,028 A (28 mA)
R = U / I
R = 35 / 0,028 = 1225 Ohm
|
Die Widerstände müssten hier also einen Wert von minimal 1225 Ohm haben. Der nächsthöhere gebräuchliche Widerstandswert ist hier bei Metallschichtwiderständen 1300 Ohm.
50-V-Varistoren sind ungeeignet, ist diese Spannung doch für Wechselstrom augegeben, die ja bei 50V effektiv schon 70V Spitzenspannung aufweist und der Varistor erst ab höheren Spannungen leitfähig wird.
Vielleicht bekommt man ja irgendwo 30V-Varistoren.. ?? diese dann einfach parallel zu den Elkos und testen ob es so funktioniert, wenn ja dann bitte eine kurze Erfolgs-Mail an .
Hier der Schaltplan. Die Schaltung lässt sich problemlos auf einem Stück 2.54er Lochrasterplatte aufbauen.
Das Netzteil sollte bei 80 (+/-40V) Gesamtspannung ruhig 4-5 Ampere liefern können. Der Schaltkreis muss unbedingt mit Wärmeleitpaste auf einem großen Kühlkörper befestigt werden!
Eventuell ist ein Lüfter-Kühler sinnvoll. Getestet wurde die Schaltung mit einem Rippenprofilkühlkörper mit folgenden Maßen: 15x10x3,5cm (LxBxH). Diese Größe ist das MINDESTMASS was an Kühlung nötig ist, wenn man die volle Leistung einsetzen will. Wird die Schaltung in ein Gehäuse eingebaut, ist unbedingt darauf zu achten, dass für ausreichende Luftzirkulation gesorgt wird (Lüftungsschlitze und Gehäuselüfter) oder der Kühlkörper hinten außen am Gehäuse angebracht wird. Im Testlauf an der Belastungsgrenze hatte ich den Testkühlkörper mit einem Lüfter verstärkt, um die Hitze abzuleiten.
Für eine eventuelle "Wohnzimmeranlagen-Anwendung" sollte(n) der(die) Lüfter temperaturgeregelt sein, um bei leiser Musik nicht das störende Lüftergeräusch mithören zu müssen, im Partykeller kann man das weglassen.
Viel Spaß!
passiver Bassfilter
Um für den Subwoofer einen extra Verstärker zu benutzen, sollte man zunächst die Bass-Frequenzen von den restlichen Frequenzen trennen.
Durch eine getrennte Subwoofer-Endstufe ergeben sich folgende Vorteile:
- bei ausgelasteter seperater Subwooferendstufe hört man im Bassbereich den steigenden Klirrfaktor (clipping) nicht, die Endstufe kann quasi leicht im Überlastbereich betrieben werden
- wenn die Bass-Endstufe ausgelastet ist, werden die Mittel- und Hochtöne nicht mit verzerrt
- man spart sich die teure Freuquenzweiche
Damit die seperate Subwoofer-Endstufe auch wirklich nur den Bass verstärkt, sollte man VOR der Endstufe die Tieftöne von den restlichen Frequenzen befreien, die sonst auch noch eine Frequenzweiche vor dem Subwoofer nötig machen und die Subwooferendstufe nur unnötig belasten.
Hier die Schaltung nebst der Kennlinie beim Versuchsaufbau.
Um diese optimale Kennlinie zu erreichen, müssen sich die beiden 10mH-Spulen (nach Möglichkeit
Luftspulen benutzen, nur wenn nicht anders möglich Spulen mit Kern, der dabei allerdings im Betrieb magnetisch nicht gesättigt sein sollte, da sonst mehr oder weniger starke Verzerrungen auftreten) möglichst nahe aneinander befinden (Spulenkörper zusammengeklebt ect.). Aus der Kennlinie kann man folgende Vorteile ableiten:
Resonanz zwischen 20 und 70 Hz, für optimalen Tiefbass, auch bei nicht optimalen Gehäuse des Subwoofers (Gehäuse ohne Bandpass und unter 100 Liter Volumen, die dadurch keine so tiefe Resonanzfrequenz haben)
leiserer Bass bis etwa 200Hz (vorhandene 2- oder 3-Wege-Boxen können dann etwas weniger Bass abbekommen und der Klang bleibt optimal, dadurch wird die vorhandene Endstufe und die vorhandenen 2- oder 3-Wege-Boxen geschont, bei kleinen 1- oder 2-Wege-Lautsprechern wird ein voller Klang erreicht)
starke Dämpfung aller Frequenzen über 250Hz (24dB/okt.), die der Subwoofer nur verzerrt wiedergeben kann und die den Klang somit negativ beeinflussen würden
Sehr gut als Subwooferendstufe ist der oben beschriebene Verstärker mit dem IC TDA7294 geeignet, besonders in Verbindung mit einem 2-fachen (stereo-) TDA1516-Verstärker für vorhandene 3-Wege-Boxen o.ä.
Sollte das Signal welches aus dem Filter herauskommt zu schwach für die Anteuerung der gewünschten Endstufe sein, dann einfach die hier beschriebene Transistorstufe dazubauen.
(Diese sollte, wenn man das Bassfilter parallel zu vorhandenen Lautsprechern hängt, um Übersteuerung zu vermeiden, nach dem Bassfilter eingeschleift werden.)
Einfache elektronische LED-Balkenanzeige für Spannungen/Signale in Transistortechnik.
Diese Balkenanzeige besteht aus folgenden Grundschaltungen:
- Dämpfungsglied (Diode-Kondensator-Widerstand-Schaltung)
- Ansteuereinheit pro LED
 |
Das Dämpfungsglied sorgt dafür, dass nicht scheibar drei oder vier LEDs glimmen, sonden höherfrequente Spannungsanteile gedämpft werden. Das Dämpfungsglied besteht aus einer in Durchlassrichtung verschalteten Halbleiterdiode, einem Elko und einem dem Elko parallel geschalteten Widerstand. |
 |
An das Dämpfungsglied wird pro LED eine solche Transistorschaltstufe nachgebaut.
Um eine weitere LED durchzusteuern muss also jeweils die Meßssspannung um 0,6V (bei Verwendung einer Si-Diode, wie etwa Diode 1N4148) steigen. Also entspricht eine Spannung von 6V einem Ausschlag von etwa 10 LEDs. Sind 6V zu groß, kann man anstelle der Si-Dioden Schotky-Dioden, oder Germanium-Dioden verwenden, die eine geringere Durchlassspannung haben, und pro 10 LEDs dann nur eine Messspannung von 3-4V nötig ist.
Der Vorwiderstand für die Leuchtdiode wird folgenermaßen berechnet:
Rv = Betriebsspannung - 2,3V / 0.02A |
Insgesamt ergibt sich folgende Schaltung:
Symmetrisches Festspannungsnetzteil mit hoher Belastbarkeit:
Für 40V Ausgangsspannung (39,6V) müssen die Spannungsregler 7824 und 7924 sein, und die Z-Dioden an Pin 2 (1) jeweils 16V.
Die Stabilisierungsschaltung liefert Ströme um etwa 5 Ampere, es ist ratsam zwei Transistoren (BD911/BD912) jeweils parallel zu schalten.
PR-Filter
Der Ausgang des Filters sollte nicht allzu niederohmig belastet werden, da sich sonst die Trennfrequenzen ändern.
Alternativ kann der Filter auch mit 100nF-Kondensatoren aufgebaut werden, da müsste der 60,29Ohm-Widerstand allerdings auf 1326Ohm, und der 30,14Ohm-Widerstand auf 663Ohm erhöht werden.
Gartenfunkers Kommentar: sehr nützlich! Ich habe das testweise aufgebaut und eine Verbesserung der Empfangsqualität bei 1200Bd-Pr festgestellt. Hier zwei Bilder der Testschaltung, sollte nach Möglichkeit allerdings mit geschirmten Leitungen nachgebaut werden.
1750Hz-Signalgenerator
Da es ja immernoch Leute geben soll, die antike Funkgeräte :-) ohne das 1750Hz-Signal benutzen, gibt's hier dazu noch eine passende Schaltung zum Erzeugen dieses Signals.
Alternativ kann man natürlich mit etwas Übung auch den Ton selbst in das Mikrofon pfeifen, doch ich glaube diese Lösung hier ist "treffsicherer"....
Diese Schaltung kann über einen kleinen Kondensator und einen Widerstand bzw. Poti mit einigen Kiloohm mit an den Mikrofoneingangsverstärker im Funkgerät angeschlossen werden, wenn es möglich ist, diese kleine Schaltung einzubauen. Taster in Miniaturausführung sind ja problemlos auch noch mit der Größe von gerade einmal ein paar Millimetern zu bekommen.
Ist der Einbau in das betroffene Funkgerät nicht möglich, kann man das Ganze in einem kleinen handlichen Gehäuse mit integrierter 9V-Block-Halterung zusammen mit einer kleinen 1-Transistor-Stufe und einem Miniaturlautsprecher unterbringen.
Wechselblinker mit Transistoren
 |
Elektronischer Wechselblinker
Der Wechselblinker ist eine ganz einfache Schaltung, leicht auf einem Stück Lochrasterplatine zu bauen. Dazu gibt's nicht viel zu sagen. An beiden Transistoren sollte etwa die gleiche Last hängen. Ist die Last nicht gleich, dann ist die Einschaltzeit und die Ausschaltzeit des Blinkvorgangs ungleich lang (macht ja nix). Will man diese Schaltung allerdings für andere Zwecke einsetzen, dann ist dabei darauf zu achten, dass am Kollektor der Transistoren genug Strom fließen muss. Das alles ZU hochohmig aufzubauen kann sonst leicht "in die Hose" gehen und aus dem Ziel des Stromsparens wird dann ein nicht ganz gewolltes Ergebnis... die Stromaufnahme ist zwar extrem niedrig, aber es blinkt dann auch nicht mehr....
|
Kabelfernsehn + Brummen in der Anlage
Tja, das ist doch so eine Sache mit dem Kabelfernsehn... der eine hat's, der andere nicht (der, der's nicht hat, aber dafür ne Sat-Anlage, der hat's wohl besser und vor allem auf Dauer billiger). Nicht nur das mancherorts die Kabelnetze in einem katastrophalen Zustand sind und Störungen scheinbar magisch anziehen, so gibt's mit diesem Netz auch noch die tollsten Effekte...
Wie war das doch gleich mit den leichten schrägen Streifen auf dem Bild, und immer mal auf einem anderen Fernsehsender... vielleicht ein Funker in der Nähe.. na sicher.. der hat ja auch nichts anderes zu tun als bei Nachbars den Empfang gezielt zu stören. Aber das nur mal so.. schon mal an Störquellen in der eigenen Wohnung/Haus gedacht?! Zufällig noch ein Gerät im Nebenzimmer was auch seine Sender über's Kabel bekommt ?
So doch neulich hier.. genau der oben beschriebene Effekt.. verstellte ich an meinem Radio den Sender waren die Bildstörungen auf einem anderen Fernsehsender. Problem:
auf dem Antennenkabel war ein anderes Potential (ne andere Spannung) auf dem Mantel als der Schutzleiter und die Null in der Steckdose.. mit dem Effekt das ich ein schönes 50Hz-Brummen in den Lautsprechern hörte, die an meiner selbstgebauten Endstufe hingen.
Also was macht man? Man klemmt einfach die Masse der Audio-Zuleitung zur Endstufe zusammen mit der Masse der Betriebsspannung der Endstufe und das zusammen mit dem Schirm des Antennenkabels vom Kabelfernsehn.. und schon war das Brummen weg.
Dafür die oben genannten Bildprobleme.
Lösung:
In Fachgeschäften gibt es fertige Mantelstromfilter zum Zwischenstecken zwischen Gerät und Antennenanschluss. Kostenpunkt etwa so 10DM.. dafür spart man sich Ärger und die zusätzlichen Masseverbindungen.
oder..
Man baut sich das Teil gleich selber.. einen kleinen Ferritringkern und etwas Kupferlackdraht.. auf beiden Seiten ein paar Windungen zwischen Innenleiter und Schirm des Koax-Kabels und das ganze mit etwas Heißkleber und Schrumpfschlauch fixiert (natürlich nachdem es in die Antennenleitung integriert wurde) und schon hat man etwa 5,- gespart... die Windungsanzahl sollte man allerdings vorher ausprobieren... also 'ne Lösung für Tüftler.
Anfragen, Anregungen, Kritik bitte an .